Nyitvatartási idő: H-P 08:00 - 16:00 |
Ajánlatkérés
Ajánlatkérés

U Szelemen

U Szelemen
Az U szelemen egy könnyű, hidegen horganyzott acélprofil, amely acél szerkezeti főelemekként alkalmazható a magáncélú, az ipari és a mezőgazdasági épületek esetében, továbbá az épületek szerkezeteinek másodlagos elemeként, azaz tető- vagy falsínként. A szelemen magassága 100 mm és 400 mm közötti lehet, 1-4 mm vastagságban, 2 m és 13,5 m közötti hosszúságban, de egyedi igény alapján akár 15 méteres hosszban is rendelhető, automata előfúrással is készülhet. A súlya méretéhez képest csekély, így csökken a szállítás és az építkezés költsége, a határidő pedig tartható lesz.
Műszaki leírás
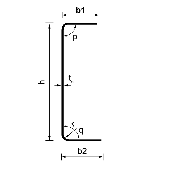
Szakaszok magassága 200-400 mm
Vastagság 1-4 mm
Normál vágási hossz 2000-13500mm
Hajlítási szögek 90º
Metszetrajz
U Szelemen - 1
V. Zoltán
V. Zoltán
Tsz Vakula Andrea
Igen szeretném ha eljutna ez a levél feletteséhez. Köszönöm hogy önöknél vásárolhattam. Köszönöm segítő készségét . Köszönöm kollégája sofför segítségét. Szerintem egy igazán jó csapat működik önöknél.
R. Péter
R. Péter
Megjött a megrendelt lemezcserép, nagyon örülünk neki fenn van már a tetőn, Köszönöm a segítségét, ISTEN ÁLDJA MEG ÖNT a segítségéért. Köszönöm.
V. János
V. János
Tisztelt Bajos Úr! Köszönöm a megrendelt anyagok szállítását. Valahogy így képzelem el az igazi kereskedőt! A szállító is rendkívül udvarias volt. Mégegyszer köszönöm. Így kell kereskedni.
M. Zsuzsanna
M. Zsuzsanna
Küldemények épségben, hiánytalanul megérkezett. Köszönöm a korrekt tájékoztatást a gyors, pontos szállítást További sikeres munkát kívánok.
B. Krisztián
B. Krisztián
Tisztelt Tamás!
Köszönöm a korrekt hozzáállást ,szállítás a csupaszív sofőrt, és a megbízhatóságot. Nagyon örülök, hogy önnek választottam. Teljesen elégedett vagyok. További jó munkát kívánok.
Roberto
Roberto
Kedves Ákos!
Köszönöm a gyors ügyintézést szuper volt minden. Elégedett vagyok …. Kívánok minden jót a továbbiakban.
M. Andrea
M. Andrea
Köszönöm szépen, nagyon elégedett vagyok a gyorsasággal, a tájékoztatással és a folyamatos kapcsolattartásal.
H. Zsolt
H. Zsolt
Köszönöm a rugalmasságukat, az összeg már át is érkezett. Örülök, hogy minden ilyen flottul működött! Bátran ajánlom Önöket a továbbiakban is.
Sz. Gyula
Sz. Gyula
Kedves Dorina!
Köszönöm a gyors és precíz ügyintézést, szállítást. Mindenki segítőkész és kedves. Kellemes ünnepeket!
I. Gabriella
I. Gabriella
Köszönöm kedvességüket, a cég profizmusa, embersége emlékezetes, 'névjegyként' a jó szolgáltatók közt tartjuk Önöket!
Szép napot!
V. Tamás
V. Tamás
Tisztelt Nagy Nándor!
Szeretném megköszönni a segítséget, megérkezett a trapézlemez és a kiegészítők. Minden tökéletes lett, a sofőr kolléga nagyon rendes, segítőkész volt a lepakolásnál. Csak ajánlani tudom mindenkinek Önöket!
Cs. Lajos
Cs. Lajos
Tökéletes és korrekt!
Továbbra is 'ajánlott' kategóriában vagytok nálunk!
Köszönjük, szép estét!
D. Fémmegmunkáló Kft
D. Fémmegmunkáló Kft
Köszönöm szépen a gyors, korrekt szállítást. D. Fémmegmunkáló Kft nevében.
T.Tamás
T.Tamás
Az árajánlatot még aznap megkaptam amikor kértem. Minden kérdésemre készségesen válaszoltak. A gyártás hamarabb elkészült, mint ígérték és utána a szállítás is gyors volt. Legközelebb is tőlük vásárolok.
K. Lajos
K. Lajos
Telefonon hívtam a céget, pár percen belül már meg is kaptam az árajánlatot e-mailben. Én árakban nem találtam náluk jobbat. Személyesen mentem el érte, az árukiadás is gyorsan ment, nem kellett várni. Annyit fizettem amennyit megbeszéltünk.

Megtetszett Önnek termékünk?

Kérjen árajánlatot a +36 (30) 160-7665 telefonszámon, vagy vegye fel velünk a kapcsolatot az pap.tibor@lemezker.hu e-mail címen!

Ajánlatkérés

U Szelemen

Az U szelemen egy hidegen horganyzott és kis súlyú, tetőszerkezetek építéséhez, illetve épületszerkezetek másodlagos elemeként felhasználható profil, amely magáncélú, ipari és mezőgazdasági építési munkálatokhoz is alkalmazható. 100 mm és 400 mm közötti magasságban, 1-4 mm vastagságban, illetve 2 m és 13,5 m közötti hosszúságban rendelhető, de igény szerint akár 15 m is lehet. Mivel vékony lemezből készül, a felhasználása kisebb súlyt jelent – ennek ellenére ellenáll a nagyobb földrengéseknek is –, ennek köszönhetően pedig az épületek tervezése és építése alacsonyabb költségkeretből is megvalósítható.

Az U szelemenek felhasználásával az épületek rövid határidővel készülhetnek el, ez pedig visszavezethető arra, hogy a csavarkötés a gyártás során készített előfúrásnak köszönhetően egyszerűbb és gyorsabb, felületkezelésre a helyszínen csak akkor van szükség, ha a horganyzás és festés megsérül, de a kis súly is számít, hiszen ennek okán egyszerűbb – és olcsóbb – a szállítás, és a szerelés is gyorsabb, hatékonyabb. A költségek csökkentéséhez tehát nagyban hozzájárulhat, ha U szelemenek felhasználásával történik egy szerkezet kivitelezése, és még az ára is kedvező.

Az U szelemenek felhasználásával épített szerkezetek tartósak, és nem igényelnek karbantartást, ha pedig a szerkezet lebontására kerülne sor, az elemei pedig 100%-osan újrahasznosíthatóak, így nem terhelik a környezetet sem. Felkeltették az érdeklődését az U szelemenek? Forduljon hozzánk bizalommal elérhetőségeink egyikén, tegye fel kérdéseit, és kérjen árajánlatot!

Ajánlott termékek